首頁
語系
繁體中文
English
Toggle Navigation
關於仕彰
最新消息
專案產品
產品介紹
調速產品
無刷規格
有刷規格
專案產品
驅動器
AC伺服驅動系列
DC伺服驅動系列
BLDC伺服驅動系列
馬達
AC伺服馬達系列
DC伺服馬達系列
BLDC伺服馬達系列
VCM系列
英國SEM AC伺服馬達系列
工具機改裝工程零組件(Machine Tools)
檔案下載
驅動器
DC伺服驅動系列
AC伺服驅動系列
工具機改裝工程零組件
Google Map
網站導覽
聯絡我們
Home
產品介紹
驅動器
DC伺服驅動系列
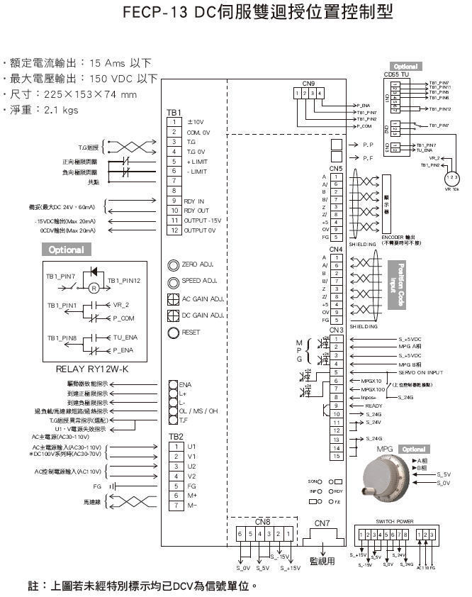
FECP-13 DC伺服雙迴授位置控制型
FECP-13 DC伺服雙迴授位置控制型
●迴授方式:T.G & 光學尺雙迴授
●最高響應:900KPPS
●輸出功率:100W~1200W
●附電子齒輪比、加減速設定
●可選購書寫器設定參數
附件
FECP-13 DC 伺服雙迴授位置控制型.pdf
產品敘述
●指令方式:
Pulse CW;
CCW
Pulse;
Direction
A Quadrature;
B Quadrature
●迴授方式:T.G & 光學尺雙迴授
●最高響應:900KPPS
●輸出功率:100W~1200W
●附電子齒輪比、加減速設定
產品介紹
調速產品
無刷規格
無感測器無刷調速馬達及驅動器
霍爾回授無刷調速馬達及驅動器
編碼器回授無刷調速馬達及驅動器
有刷規格
40W,60W有刷調速馬達及驅動器
100W-350W有刷調速馬達及驅動器
600W-1000W有刷調速馬達及驅動器
1200W有刷調速馬達及驅動器
專案產品
自動化控制系統(金屬毛邊修整系統)
自動化控制系統(金屬毛邊修整系統_客製化)
玩具骰子拋擊動力電機
MR系列低速高穩態伺服馬達(已停產,仍有維修服務)
磨床自動銑砂裝置
限扭驅動控制及馬達
張力控制馬達
BLDC調速型 無刷馬達驅動板
驅動器
AC伺服驅動系列
V、TU、TC command 附接點控制及內建±10VDC 扭力限定功能、速度型
C command 扭力控制型
P.TC command 位置控制切換扭力限制型
V command 速度控制型
DC伺服驅動系列
FEL速度型(E.D.M)
F 速度型
FVW 速度型
FEC & FECW 速度型
扭力型(電容器捲繞機專用)
EPL-MB 速度型
CDS-3022F速度型
CUF 速度切換扭力限制型
CH 速度型(E.D.M) [客戶合作專案]
FVPW-13
C command LM系列 扭力控制型
FECP-13 DC伺服雙迴授位置控制型
EPLN簡易調速型
BLDC伺服驅動系列
BLDC無刷速度控制型(0~3000RPM)
BLDC無刷速度控制型(200~3000RPM)
BLDC調速型 無刷馬達驅動板
馬達
AC伺服馬達系列
MA系列 175-500E
MAS系列 550-750W
MA系列 3.7K 中空軸心
DC伺服馬達系列
MR系列低速高穩態伺服馬達(已停產,仍有維修服務)
MM系列伺服馬達 100-350T
MM系列伺服馬達 100-350E
MM系列伺服馬達 100-350MT
MM系列伺服馬達 600-1000T
MM系列伺服馬達 600-1000E
MM系列伺服馬達 600-1000MT
MM系列伺服馬達 1200T
MM系列伺服馬達 1200E
BLDC伺服馬達系列
BLDC無刷MAH系列馬達(0~3000RPM)
BLDC無刷MAH系列馬達(200~3000RPM)
VCM系列
FVPW位置控制型
VCM伺服馬達
FVW
VCM伺服馬達防水型
英國SEM AC伺服馬達系列
HJ 130 系列
HJ 155 系列
工具機改裝工程零組件(Machine Tools)
手動磨床修改成平面自動加工
磨刀機(插齒刀研磨)
旋轉軸背隙精準補償專用顯示器-HML171
銑床伺服馬達自動進給走刀器(單軸)
銑床伺服馬達自動進給走刀器(雙軸)
銑床伺服馬達自動進給自動工程
銑床伺服馬達自動進給伺服系統
NC downfeed 單軸磨床控制系統
制震型無背隙旋轉盤
TOUCH NC旋轉軸專用
高精密轉速發電機(Tachometer)
NC downfeed 雙軸磨床控制系統
雙電機中空旋轉軸
伺服主軸頭&Z軸